Объект: SMGeneratorAlwaysActive
Библиотека: StateGraph
Имя на уровне решателя: SMGeneratorAlwaysActive
Аннотация: Генератор диаграммы состояний
Обозначение:
Описание модели
№ |
Параметр |
Тип |
Описание |
Значение по умолч. |
|---|---|---|---|---|
1 |
Error |
base.real |
Погрешность чувствительности входных значений |
|
2 |
StartState |
base.real |
Начальное состояние машины состояний |
|
3 |
Ta |
base.real |
Время удержания активного сигнала перехода |
Результаты тестирования
www.laduga.com
Глава 1. Заданные параметры теста
Название тестируемого компонента
SMGeneratorAlwaysActive
Модуль тестируемого компонента
StateGraph
Дата тестирования
Thu Mar 12 16:49:26 2026
Результат
OK
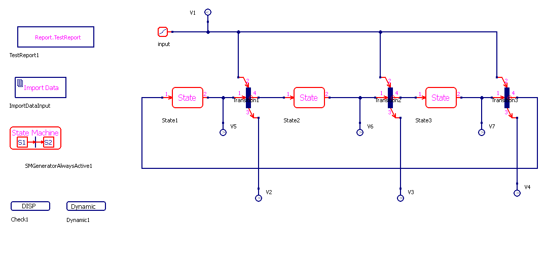
Глава 2. Схема тестируемого объекта
Генератор диаграммы состояний (SMGeneratorAlwaysActive).
Всегда "активное" состояние.
Ta - Время удержания активного сигнала перехода
Error - Погрешность чувствительности входных значений
StartState - Начальное состояние машины состояний
Рисунок 1 - Схема теста
Глава 3. Графики результатов теста
Рисунок 2 - SMGeneratorAlwaysActive.RUN
Рисунок 3 - SMGeneratorAlwaysActive.Check1