Объект: HTV331O

Библиотека: HydroThermo2

Имя на уровне решателя: HTV331O

Аннотация: Распределительный клапан 3/3 1-го типа

Обозначение: Распределительный клапан 3/3 1-го типа

Порты (степени свободы) компонента:

Обозначение порта

Тип

Наименование порта

1

Port1

base.ThermalFluid2

Гидравлический порт 1

2

Port2

base.ThermalFluid2

Гидравлический порт 2

3

Port3

base.ThermalFluid2

Гидравлический порт 3

4

Port4

base.DOF1

Сигнальный порт

Пользовательские параметры модели

Параметр

Тип

Описание

Значение по умолч.

1

Cd

base.real

Коэффициент расхода

0.72

2

D

base.real

Диаметр, м

0.01

3

Fluid

base.real

Параметры среды

20

4

properties_fluid

list

Давление и температура среды

101325, 293.15

Результаты тестирования
../../../../_images/logo_ru_no_text.png

www.laduga.com

Глава 1. Заданные параметры теста

Название тестируемого компонента

HTV331O

Модуль тестируемого компонента

HydroThermo2

Дата тестирования

Sun Mar 8 22:30:24 2026

Результат

OK

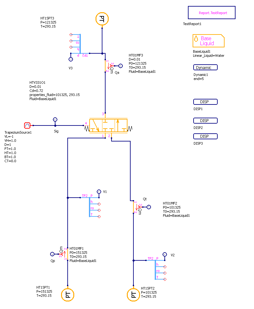
Глава 2. Схема тестируемого объекта
Объект HTV331O - Распределительный клапан 3/3 тип 1.
Тест: Проверка работы распределительного клапана при подаче сигнала.
Результат:
Изменение режима работы клапана вызвано управляющим сигналом трапецевидной формы.

При значении сигнала = -1 клапан соединяет порты 2 и 3
При значении сигнала = 0 клапан закрыт.
При значении сигнала = 1 клапан соединяет порты 1 и 3.

Параметры сигнала:
VL  = -1 - пасс. уровень
VH = 1 - акт. уровень
D = 1 - нач. задержка, с
FT = 1 - продолжительность переднего фронта , с
HT = 1 - продолжительность вершины импульса, с
BT = 1 - продолжительность заднего фронта , с

Параметры клапана:
D = 0.01 - диаметр клапана, м
Cd = 0.72 - к-т расхода
properties_{fluid} = 101325, 293.15 - Давление и температура среды
Fluid = BaseLiquid1 - параметры среды

P1 = 151325 МПа
P2 = 101325 МПа
P3 = 121325 МПа

Параметры остальных моделей и объектов приведены на схеме.
../../../../_images/HTV331O.sch.png

Рисунок 1 - Схема теста

Глава 3. Графики результатов теста
../../../../_images/HTV331O.DISP1.png

Рисунок 2 - HTV331O.DISP1

../../../../_images/HTV331O.DISP3.png

Рисунок 3 - HTV331O.DISP3

../../../../_images/HTV331O.DISP2.png

Рисунок 4 - HTV331O.DISP2

../../../../_images/HTV331O.RUN.png

Рисунок 5 - HTV331O.RUN