Модель: MAPRF
Библиотека: Signals
Имя на уровне решателя: MAPRF
Аннотация: Функция аппроксимации сплайном
Обозначение:
№ |
Обозначение порта |
Тип |
Наименование порта |
|---|---|---|---|
1 |
Port1 |
base.DOF1 |
Сигнальный входной порт |
2 |
Port2 |
base.DOF1 |
Сигнальный выходной порт 1 |
3 |
Port3 |
base.DOF1 |
Сигнальный выходной порт 2 |
4 |
Port4 |
base.DOF1 |
Сигнальный выходной порт 3 |
№ |
Параметр |
Тип |
Описание |
Значение по умолч. |
|---|---|---|---|---|
1 |
FLAG |
base.integer |
Параметр включения первой и последней точек таблицы при сглаживании, При FLAG = -1 результирующая функция проходит через исходные крайние точки. |
1 |
2 |
GU1 |
base.real |
Величина граничного значения для начальной точки таблицы (при TYPE1 = 1 или 2) |
0.0 |
3 |
GU2 |
base.real |
Величина граничного значения для конечной точки таблицы (при TYPE2 = 1 или 2) |
0.0 |
4 |
L |
base.integer |
Количество точек, используемых для построения сглаживающих полиномов |
3 |
5 |
P |
base.integer |
Степень полиномов, используемых для предварительного локального сглаживания табличных значений |
3 |
6 |
SCALE |
base.real |
Коэффициент масштабирования значений функции, заданных в таблице |
1.0 |
7 |
TYPE1 |
base.integer |
Тип задаваемого граничного условия для начальной точки таблицы :1 - задается значение 1-й производной; 2 - задается значение 2-й производной, любое другое значение - принимается, что 2-я производная в точке равна 0. |
0 |
8 |
TYPE2 |
base.integer |
Тип задаваемого граничного условия для конечной точки таблицы. TYPE2 = 1 - задается значение 1-й производной; 2 - задается значение 2-й производной; любое другое - принимается, что 2-я производная в точке равна 0. |
0 |
9 |
Table |
base.real |
Ссылка на таблицу значений функции от времени. Для ручного ввода значений функции: нечетный параметр - момент времени, четный параметр - значение функции. |
0,0,1,1,2,2,3,3 |
№ |
Название |
Тип |
Описание |
|---|---|---|---|
1 |
interpolation_is_done |
base.integer |
Флаг, что интерполяционные полиномы получены (=0) или нет (=-1) |
Результаты тестирования
www.laduga.com
Глава 1. Заданные параметры теста
Название тестируемого компонента
MAPRF
Модуль тестируемого компонента
Signals
Дата тестирования
Thu Mar 12 18:49:59 2026
Результат
OK
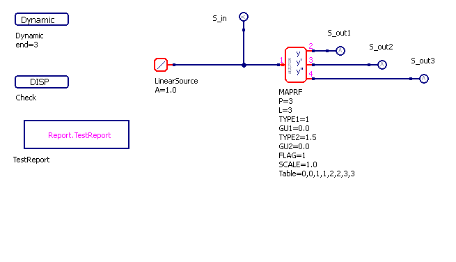
Глава 2. Схема тестируемого объекта
Функция аппроксимации сплайном - MAPRF
Параметры:
P - степень полиномов
L - количество точек
TYPE1 - тип задаваемого граничного условия для начальной точки таблицы
GU1 - величина граничного значения для начальной точки таблицы
TYPE2 - тип задаваемого граничного условия для конечной точки таблицы
GU2 - величина граничного значения для конечной точки таблицы
FLAG - параметр включения первой и последней точек таблицы при сглаживании
SCALE - коэфф. масштабирования
Table - ссылка на таблицу значений функции от времени
Параметр Table формируется по форме:
1. Заданием значений: Table=X,Y,X1,Y1,...,Xn,Yn
2. Либо с помощью таблицы значений: Table=ImportData
Рисунок 1 - Схема теста
Глава 3. Графики результатов теста
Рисунок 2 - MAPRF.RUN
Рисунок 3 - MAPRF.Check